| Sign In | Join Free | My ecer.com.ru |
|
Brand Name : WUHANCS
Certification : ISO
Place of Origin : China
MOQ : 1
Price : Negotiatable
Payment Terms : T/T
Delivery Time : 40 working days
Supply Ability : 10 Units/Mon
Size : 12192mmx2438mmx2591mm
Capacity : 40000L-45000L
Material : Carbon Steel
Heating System : Burner direct heating system
Transport : Container vessel
Suitable for : Asphalt Storage, asphalt emulsion plant, asohalt modification plant
Customized service : Available
Pump : 25t/h
Hot oil circulation system : For preheat the pump and hoese
Heating system : Both hot oil coils and burner direct heating tubes
40ft Polymer Modified Asphalt Heating Tank Container


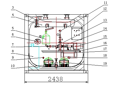
| NO. | Description | NO. | Description |
| 1 | Manhole | 14 | hot Oil pump |
| 2 | Asphalt outlet | 15 | Hot oil motor |
| 3 | Expansion Tank Level indicator | 16 | Oil sink |
| 4 | Expansion Tank | 17 | Oil sink fuel outlet valve |
| 5 | Oil/water separator | 18 | Temperature Visual Meter |
| 6 | Floating ball level indicator | 19 | Burner |
| 7 | Hot oil valve | 20 | Hot oil temperature meter |
| 8 | Diesel oil tank | 21 | Hot oil outlet valve |
| 9 | Temperature sensor | 22 | Drain |
| 10 | Asphalt valve | 23 | Saddle |
| 11 | Hot oil pressure meter | 24 | Tank container frame |
| 12 | Electrical control box | 25 | Scavenger coil |
| 13 | Y-type filter | 26 | Main heating tube |
|
|
Polymer Modified Bitumen Heating Tank Energy Saving Hot Oil Coils Heating Images |